Trắc Nghiệm Chuyên Đề Dao động Và Sóng điện Từ

  1. Tác giả: LTTK CTV
    Đánh giá: ✪ ✪ ✪ ✪ ✪
  2. Tác giả: LTTK CTV
    Đánh giá: ✪ ✪ ✪ ✪ ✪
  3. Tác giả: LTTK CTV
    Đánh giá: ✪ ✪ ✪ ✪ ✪
    Câu 240:
    Hai mạch dđ LC lí tưởng 1 và 2 đang có dao động điện từ tự do với các cường độ dòng điện tức thời trong hai mạch tương ứng là 1i và 2i được biểu diễn như hình vẽ. Tại thời điểm t, điện tích trên bản tụ của mạch 1 có độ lớn là \(\frac{4.10^{-6}}{\pi}(C)\)tính khoảng thời gian ngắn nhất sau đó để điện tích trên bản tụ của mạch thứ 2 có độ lớn \(\frac{3.10^{-6}}{\pi}(C)\)
    01.jpg
    • A. $2,5.10^{-4}$ s
    • B. $5.10^{-4}$ s
    • C. $1,25.10^{-4}$ s
    • D. $2.10^{-4}$ s
    Xem đáp án
     
  4. Tác giả: LTTK CTV
    Đánh giá: ✪ ✪ ✪ ✪ ✪
    Câu 240:
    Hai mạch dđ LC lí tưởng 1 và 2 đang có dao động điện từ tự do với các cường độ dòng điện tức thời trong hai mạch tương ứng là 1i và 2i được biểu diễn như hình vẽ. Tại thời điểm t, điện tích trên bản tụ của mạch 1 có độ lớn là \(\frac{4.10^{-6}}{\pi}(C)\)tính khoảng thời gian ngắn nhất sau đó để điện tích trên bản tụ của mạch thứ 2 có độ lớn \(\frac{3.10^{-6}}{\pi}(C)\)
    01.jpg
    • A. $2,5.10^{-4}$ s
    • B. $5.10^{-4}$ s
    • C. $1,25.10^{-4}$ s
    • D. $2.10^{-4}$ s
    Xem đáp án
     
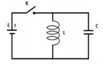
  5. Tác giả: LTTK CTV
    Đánh giá: ✪ ✪ ✪ ✪ ✪
    Câu 241:
    Cho mạch dao động như hình vẽ, điện trở trong của nguồn r = 2 \(\Omega\) . Mạch LC lý tưởng, ban đầu khóa K đóng. Khi mở K thì hiệu điện thế trên tụ có giá trị cực đại bằng 20E. Thương số L/C bằng giá trị nào sau đây?
    01.jpg
    • A. 1600 \(\Omega ^2\)
    • B. 3200 \(\Omega ^2\)
    • C. 6400\(\Omega ^2\)
    • D. 400\(\Omega ^2\)
    Xem đáp án
     
  6. Tác giả: LTTK CTV
    Đánh giá: ✪ ✪ ✪ ✪ ✪
    Câu 241:
    Cho mạch dao động như hình vẽ, điện trở trong của nguồn r = 2 \(\Omega\) . Mạch LC lý tưởng, ban đầu khóa K đóng. Khi mở K thì hiệu điện thế trên tụ có giá trị cực đại bằng 20E. Thương số L/C bằng giá trị nào sau đây?
    01.jpg
    • A. 1600 \(\Omega ^2\)
    • B. 3200 \(\Omega ^2\)
    • C. 6400\(\Omega ^2\)
    • D. 400\(\Omega ^2\)
    Xem đáp án
     
  7. Tác giả: LTTK CTV
    Đánh giá: ✪ ✪ ✪ ✪ ✪
    Câu 242:
    Mạch dao động gồm cuộn dây có độ tự cảm L = 8.10-4 H và tụ điện có điện dung C = 4 nF. Vì cuộn dây có điện trở thuần nên để duy trì dao động của mạch với hiệu điện thế cực đại giữa hai bản tụ là 12V, người ta phải cung cấp cho mạch một công suất P = 0,9 mW. Điện trở của cuộn dây có giá trị
    • A. 1,25 Ω.
    • B. 2,5 Ω.
    • C. 10 Ω
    • D. 5 Ω.
    Xem đáp án
     
  8. Tác giả: LTTK CTV
    Đánh giá: ✪ ✪ ✪ ✪ ✪
    Câu 243:
    Một mạch dao động LC lí tưởng gồm cuộn thuần cảm L = 2 mH và tụ điện C = 8 pF. Lấy \(\pi\)2 = 10. Thời gian ngắn nhất từ lúc tụ bắt đầu phóng điện đến lúc năng lượng điện trường bằng ba lần năng lượng từ trường là
    • A. \(\frac{10^{-6}}{15}s\)
    • B. \(10^{-7}s\)
    • C. \(2.10^{-7}s\)
    • D. \(\frac{10^{-6}}{75}s\)
    Xem đáp án
     
  9. Tác giả: LTTK CTV
    Đánh giá: ✪ ✪ ✪ ✪ ✪
  10. Tác giả: LTTK CTV
    Đánh giá: ✪ ✪ ✪ ✪ ✪
    Câu 245:
    Vận tốc truyền sóng điện từ sẽ:
    • A. Phụ thuộc vào môi trường và tần số sóng.
    • B. Không phụ thuộc vào môi trường mà phụ thuộc vào tần số sóng
    • C. Phụ thuộc vào môi trường và không phụ tần số sóng
    • D. Không phụ thuộc vào môi trường và tần số sóng
    Xem đáp án
     
  11. Tác giả: LTTK CTV
    Đánh giá: ✪ ✪ ✪ ✪ ✪
    Câu 246:
    Mạch chọn sóng của một máy thu vô tuyến gồm một cuộn dây có độ tự cảm L và một bộ tụ điện gồm một tụ điện cố định $C_0$ mắc song song với một tụ C. Tụ C có điện dung thay đổi từ 10nF đến 170nF. Nhờ vậy mạch có thể thu được sóng điện từ có bước sóng từ \(\lambda\) đến 3\(\lambda\) . Giá trị của $C_0$ là
    • A. 30nF
    • B. 25nF
    • C. 10nF
    • D. 45nF
    Xem đáp án